Artikelförattare: Mathias Undeland och Mattias Arnqvist, FSD Göteborg AB Ny teknik för energilagring med batterier tar allt större plats i våra byggnader. Detta är främst en konsekvens av de kraftigt sjunkande priserna på batterier under senare år. De alltmer uppenbara fördelarna i att kunna balansera fastighetens energianvändning över dygnet har såklart också drivit utvecklingen. Det ger möjligheter att anpassa elkonsumtionen efter elpriset och/eller få betalt genom att erbjuda … [Läs mer...] om Energilager i byggnader – Möjligheter och risker med att integrera ny teknik i befintliga fastigheter
BRAND
Återbruk av brandtekniska produkter
Inom samhällsbyggnadssektorn har fokus avseende hållbart byggande, hållbar projektering och hållbara utformningar fått allt större utrymme de senaste åren. Forskning visar att för att lyckas med återbruk krävs ett tankesätt som genomsyrar hela organisationen, och omfatta många produktkategorier. Av den anledningen behöver även byggnadsdelar och produkter som kanske inte anses som de enklaste att hantera också ingå i utvärderingar för återbrukspotential, om inte annat för att påverka branschen … [Läs mer...] om Återbruk av brandtekniska produkter
Brandskyddat trä – Den europeiska standarden för bruksklasser ska revideras
Artikelförfattare: Birgit Östman, Linnéuniversitetet och Lazaros Tsantaridis, Nordiskt Brandskyddat Trä En europeisk standard EN 16755 för att klassificera beständigheten hos brandskyddat trä fastställdes 2017. Den definierar bruksklasser för brandskyddat trä vid inom- och utomhusanvändning i byggnader och utgör därmed ett komplement till den vanliga brandklassningen. Metoden är ett kraftfullt hjälpmedel både för tillverkare att dokumentera beständigheten hos sina produkter och för användare … [Läs mer...] om Brandskyddat trä – Den europeiska standarden för bruksklasser ska revideras
Tillämpningsstöden blir fler
Artikelförfattare: Caroline Bernelius Cronsioe, Katja Cedergren, Pär Hansson och Lina Åteg, BIV Nya byggregler är på gång och Boverkets tanke är att branschen ska ta ett större ansvar för att arbeta fram lösningar som uppfyller byggreglernas föreskrifter. BIV har under många år stöttat branschen med bland annat tillämpningsstöd. Genom tillämpningsstöden vill BIV skapa en gemensam grund för alla som jobbar med brandskydd. Framöver, med tanke på Boverkets ambition, kan BIV behöva växla upp och ta … [Läs mer...] om Tillämpningsstöden blir fler
Vattenkälla för sprinklersystem – utmaningar och möjligheter
Artikelförfattare: Linda Widmark, Daniel Fridström och Mattias Skjöldebrand, Brandkonsulten AB samt Johan Carlsson, Nordiska Brand I teorin är det enkelt att förutse hur ett sprinklersystem för till exempel ett bostadshus eller en kontorsbyggnad kan utformas och vad det kostar, genom att jämföra hur det ser ut i en likadan byggnad som nyligen uppförts. Men sanningen är att det kan skilja sig avsevärt om man uppför två likadana byggnader på olika sidor om en kommungräns. Hur kan det komma sig … [Läs mer...] om Vattenkälla för sprinklersystem – utmaningar och möjligheter
Brand i byggnader med samhällsviktig verksamhet – är träbyggnader robusta?
Robin Karlsson, PTS Brukarråd Brand, Carl Pettersson, Red Fire Engineers, Stefan Svensson, Brandingenjör och Malin Tindberg, PTS Brukarråd Brand Att bygga med trä ligger i tiden, såväl flerfamiljshus som offentliga byggnader, ofta i flera plan och med stor komplexitet. En stor mängd allvarliga frågeställningar som rör brandskydd har identifierats och dessa måste hanteras innan träbyggnader som innefattar samhällsviktig verksamhet kan tillåtas. Samhällsviktig verksamhet Myndigheten för … [Läs mer...] om Brand i byggnader med samhällsviktig verksamhet – är träbyggnader robusta?
Brandisolering av ventilationskanaler – på rätt, säkrare och anpassat till vald skyddsmetod
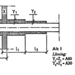
Artikelförfattare: Tomas Fagergren, Brandskyddslaget och Lars Jensen, Lunds Tekniska Högskola Utformning av brandisolering beskrevs detaljerat för första gången i typgodkända exempel i anslutning till SBN 80 (Svensk Bygg Norm 1980). Brandisolering av ett kanalgenombrott i en brandcellsskiljande byggnadsdel godtogs enligt figur 1 där isolerlängd beskrevs med en längd l1 och l2 i relation till kanalarean, ju större kanalarea desto längre isolerlängd vilket i sig är logiskt då värmestrålningen … [Läs mer...] om Brandisolering av ventilationskanaler – på rätt, säkrare och anpassat till vald skyddsmetod
Nyheter inom brandforskning
Artikelförfattare: Mattias Delin, Brandforsk Sedan förra brandnumret av Bygg & teknik har en rad forskningsprojekt färdigställts inom brandskyddsområdet, som finansierats via Brandforsk (se faktaruta), och Brandforsk har också lanserat sin nya podcast Det Brinner!. Här presenteras en översikt av ny kunskap med fokus på byggsektorns behov. Brandforsk har inriktat all sin verksamhet mot hållbar utveckling och Agenda 2030 och ett av årets projekt har fokus just på hur vi kan skapa … [Läs mer...] om Nyheter inom brandforskning
Brandskydd vid Trygghetspunkter
Artikelförfattare: Jan Ottosson och Rebecka Lind, WSP En trygghetspunkt kan upprättas för att ge stöd till drabbade invånare under en samhällsstörning, till exempel ett omfattande elavbrott. De har även en viktig funktion vid höjd beredskap genom storskalig utrymning, inkvartering och andra delar i skyddet av civilbefolkningen. Det finns ingen entydig beskrivning av hur en trygghetspunkt ska utformas, vad som ska finnas tillgängligt på trygghetspunkten eller var denna ska lokaliseras. På en … [Läs mer...] om Brandskydd vid Trygghetspunkter
RoundRobin-studie om brandprojektering av trähus
Artikelförfattare: Caroline Bernelisus Cronsioe, Pär Hansson och Robert McNamee, BIV Föreningen för brandteknisk ingenjörsvetenskap (BIV) har genomfört en RoundRobin-studie kring brandprojektering av trähus. Resultaten från studien bearbetas fortfarande men en viktig slutsats kan lyftas redan nu. Samtliga deltagare använder Boverkets typvärde för brandbelastning utan att göra en detaljerad utredning kring stommens bidrag till brandenergin. Detta är anmärkningsvärt då en ingenjörsmässig analys … [Läs mer...] om RoundRobin-studie om brandprojektering av trähus










